百德動態,特種合金百科

10年百德,10年信賴特種合金標準件及制品的研發和生產

服務熱線 : 0515-85516555

標準內六角螺絲規格表大全,看這篇就夠了

本文來源: 百德 責任編輯: 發布日期:2019-08-08

標準內六角螺絲是螺絲緊固件中外形使用率最高的一款螺絲緊固件,標準內六角螺絲又包含了很多個國家標準號,今天世世通螺絲廠家就收集了最常用的標準內六角螺絲國標號,供大家參照及選擇。

 GB70-76標準圓柱頭內六角螺絲國標號

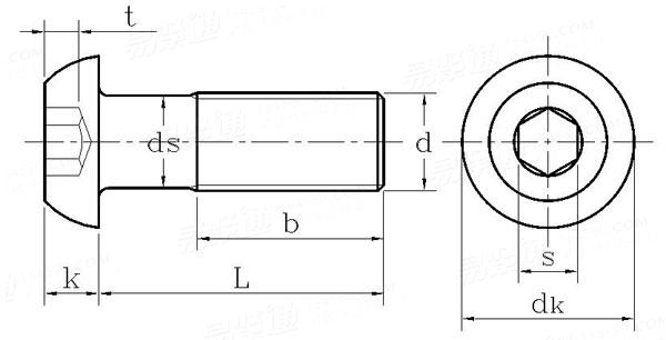
標準內六角螺絲規格表


GB70.1-2000標準圓柱頭內六角螺絲國標號


GB70.1-2000標準圓柱頭內六角螺絲國標號

GB70.1-2000標準圓柱頭內六角螺絲國標號

GB70.1-2000標準圓柱頭內六角螺絲國標號


GB70.2內六角平圓頭螺釘國標號

GB70.2內六角平圓頭螺釘國標號

GB70.2內六角平圓頭螺釘國標號


GB70.3內六角沉頭螺釘國標號

GB70.3內六角沉頭螺釘國標號

GB70.3內六角沉頭螺釘國標號


ISO4762標準內六角螺絲國標號

ISO4762標準內六角螺絲國標號

ISO4762標準內六角螺絲國標號

ISO4762標準內六角螺絲國標號

DIN912標準內六角螺絲國標號

DIN912標準內六角螺絲國標號

DIN912標準內六角螺絲國標號

DIN912標準內六角螺絲國標號



相關文章

熱門推薦

聯系百德

0515-85516555

江蘇百德特種合金有限公司 備案號:蘇ICP備16051908號   百度統計 電話:0515-85516555手機:13914430999 公司地址:江蘇省東臺市時堰鎮南工業區

百德手機網站

特種合金緊固件 特種合金材料 合金牌號 合作案例 自動化設備 百德資訊 關于百德 聯系百德 網站地圖